Hide product range Assortment

BLUM 662.1300 Euroscrew 13mm

Product range code 164954
Base price per pcs
0,04 EUR 0,05 EUR incl. VAT
In stock
More info
Buy
Brand
Blum
Group code
10700501
Unit (piece)
pcs
Divisibility
1 pcs
Packaging
1,000 pcs
Description and parameters

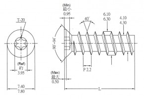
Eurošroub 662.1300.HG se zápustnou hlavou, celková délka vč. hlavy 13mm. Závit D6.3x13mm, délka závitu 10.7mm. Zápustná hlava průměr 7.1mm, výška 2mm, drážka PZ2. Předvrtání D5mm. Ocel poniklovaná.

Parameters

Parameter Value
Length (mm) 13

Last visited